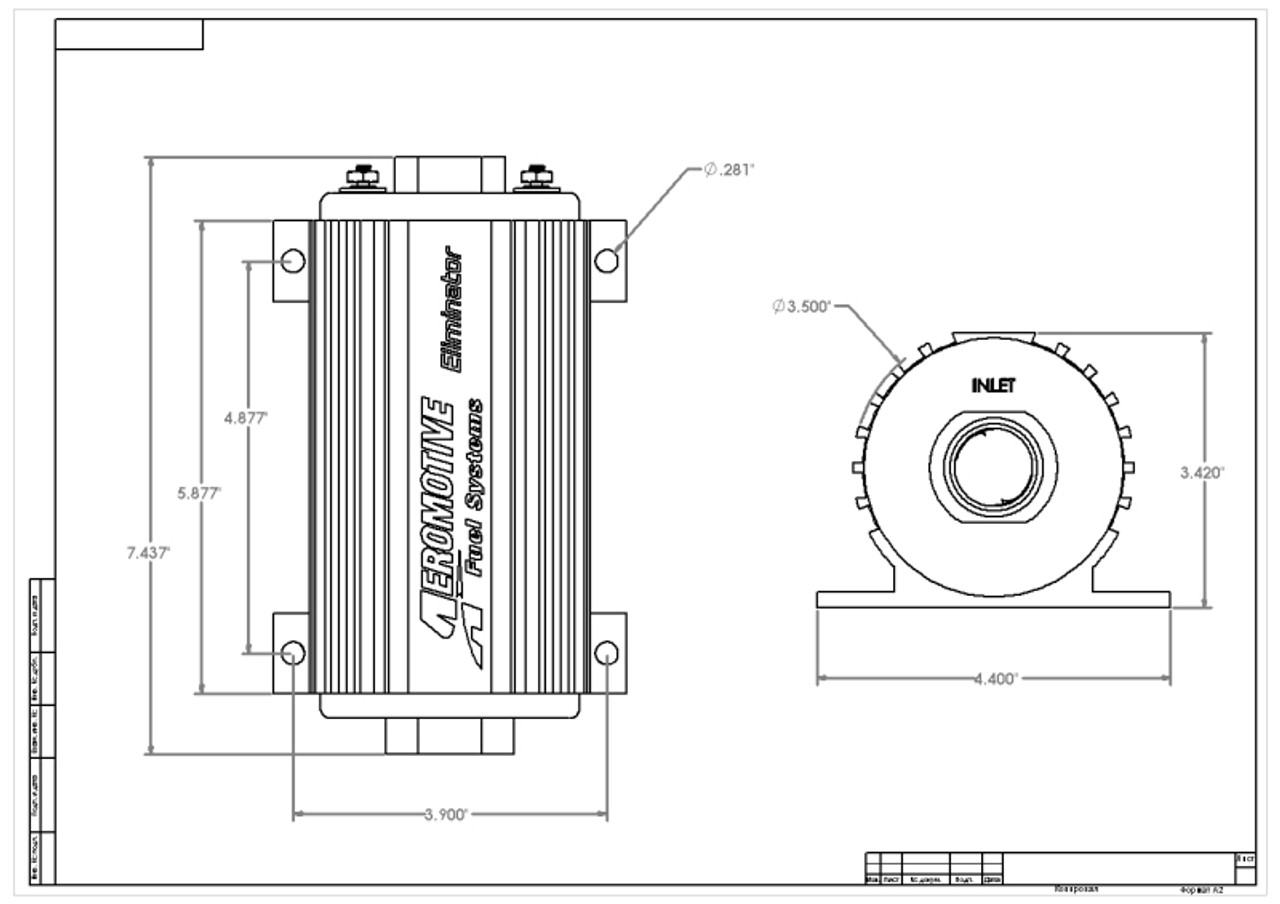
This continuous duty 'street warrior' supports big horsepower and maintains the drivability necessary for a true high-performance street car. Designed for high horsepower street/strip applications, EFI or Carbureted, it features our 'dual chamber' pumping mechanism. Fuel Injected Engines: up to 1900 HP naturally aspirated and up to 1400 HP forced air induction. Carbureted Engines: up to 2300 HP naturally aspirated and up to 1700 HP forced air induction. ORB-12 inlet port and ORB-10 outlet port.
Product Videos
Custom Field
CARBThis product is not CARB Legal and not for sale in California